NSHBG-7.2
NSHBG-7.2 7.2kV environmentally friendly gas insulated ring main unit is a high-end distribution equipment designed for high-end industrial and intelligent distribution network scenarios. It uses a new low GWP environmentally friendly mixed gas as the insulation medium, integrates circuit breakers, load switches, intelligent monitoring modules, transformers and other components, and adopts a drawer type modular+intelligent linkage design, balancing high-precision voltage adaptation, efficient operation and maintenance, and green environmental protection characteristics. This device complies with the dual standards of GB/T 11022 and IEC 62271, and is suitable for scenarios such as semiconductors, high-end manufacturing, and smart parks that require high levels of power supply continuity, intelligence, and environmental protection. It is the core equipment for the green upgrade of high-end distribution networks.
1. Accurate voltage adaptation, optimized insulation design for 7.2kV power grid characteristics, partial discharge level ≤ 10pC, sufficient insulation margin, can effectively avoid the impact of voltage fluctuations on precision equipment, ensuring stable power supply for high-end loads.
2. Environmental performance upgrade, using a new type of environmentally friendly mixed gas, GWP value is reduced by more than 99% compared to SF ₆, insulation arc extinguishing performance is better than traditional environmentally friendly gases, and the gas can be 100% recycled, purified and reused.
3. High degree of intelligence, integrated AI intelligent diagnostic module, can real-time collect multi-dimensional parameters such as gas status, switch mechanical characteristics, partial discharge, harmonics, etc., predict faults through algorithms, and achieve state maintenance and intelligent linkage.
4. With the ability to expand live capacity, a non-destructive live expansion structure is adopted. The newly added circuit can be installed and debugged without affecting the original power supply, ensuring the continuity of power supply.
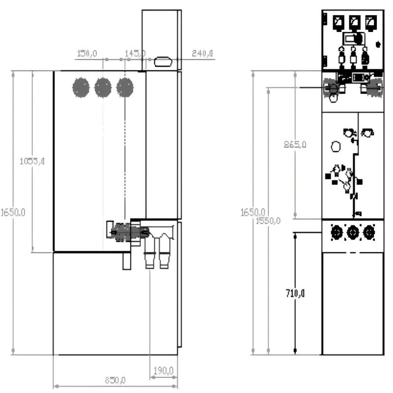
Rated current range: 800A-3150A, rated short-circuit breaking current: 25kA-40kA, air box protection level IP67, applicable temperature range -30 ℃ to+65 ℃, air leakage rate ≤ 0.05%/year. Support seamless linkage with GIS devices, energy storage systems, and intelligent distribution network platforms to achieve precise load control and rapid fault self-healing. Adopting oil-free and low-noise design, the operating noise is ≤ 60 decibels, and the service life of the air box is ≥ 25 years. The components are selected from high-end brands to ensure reliable operation in high-end scenarios.
Providing you with the most trusted energy solutions in an unpredictable world.
Contact Us| Serial No. | Item | PT Module | V Module | |
| Disconnecting Switch | Vacuum Circuit Breaker | Isolation/Earth Switch | ||
| 1 | Rated Voltage | 7.2 | ||
| 2 | 1min Power Frequency Withstand Voltage | 20/23 | ||
| 3 | Lightning Impulse Withstand Voltage | 40/46 | ||
| 4 | Rated Current | 630 | 630 | 630 |
| 5 | Short-Circuit Breaking Current | 20 | ||
| 6 | Short-Circuit Making Current | 50 | ||
| 7 | Short-Time Withstand Current | 20 | 20 | 20 |
| 8 | Short-Circuit Duration | 4 | 4 | 4 |
| 9 | Mechanical Life | 5000 | 10000 | 5000 |
| 10 | Gas Pressure | 0.025(20℃) | ||
| 11 | Annual Leakage Rate | ≤0.01% | ||
| 12 | Arc Extinguishing Method | Vacuum Arc Extinguishing | ||
| 13 | Protection Class | IP67/4X (Tank/Enclosure) | ||
The core difference lies in voltage accuracy and intelligence level. The 7.2kV model has higher insulation margin and lower partial discharge level, making it suitable for precision manufacturing scenarios that require extremely high voltage stability. In addition, AI intelligent diagnosis and live expansion functions are more complete, making it suitable for high-end intelligent distribution networks.
The gas service life is synchronized with the equipment life cycle (25 years), without the need for regular replacement. After recycling and purification, it can be reused, and the replacement cost is only 1/5 of SF ₆ gas, with lower long-term operation and maintenance costs.
Supports seamless integration with energy storage systems and microgrid platforms through the IEC 61850 communication protocol, enabling charge discharge linkage, load allocation, and fault self-healing to meet the needs of high-end park microgrid construction.